| ||
![]() | ||
|
| You are logged in as a guest. ( logon Only if you have registered by Email as per the instructions in the forum) |
380 ECU mods by StayerJump to page : 1 2 3 4 5 Now viewing page 4 [10 messages per page] | View previous thread :: View next thread |
| 380 Projects section -> ECU information for the 380 | Message format |
| stayer |
| ||
![]() Frequent flyer Gold Posts: 286 ![]() ![]() ![]() ![]() ![]() ![]() Location: Russia, Perm | Administrator - 2/9/2013 18:14 I might visit Russia next time I am in Europe. Do you have nice beer? I advise you to hurry up, soon the snow will fall and it is awful. Beer guarantee you... | ||
| |||
| stayer |
| ||
![]() Frequent flyer Gold Posts: 286 ![]() ![]() ![]() ![]() ![]() ![]() Location: Russia, Perm | I will explain. I do not have car Mitsubishi 380. I have only ECU. I must test the functionality. I don't want you received is not workable ECU. This requires a full scan. Therefore, we must pins high and low CAN to the ECU. Edited by stayer 2/9/2013 23:40 | ||
| |||
| Administrator |
| ||
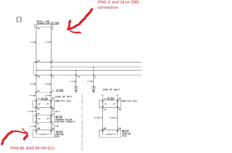
Frequent flyer Gold Posts: 1096 ![]() ![]() ![]() ![]() ![]() ![]() ![]() Location: An island off southern Tasmania. | Stayer... OBD..........ECU pins 6 ......64 pins 14......86 see photos. I like very cold beer, but not frozen. (PINS 6 AND 14 ON OBD TO PINS 86 AND 64 ON ECU.jpg) (CONNECTOR ECU PINS.jpg) (FULL CAN DIAGRAM.jpg) Attachments ---------------- PINS 6 AND 14 ON OBD TO PINS 86 AND 64 ON ECU.jpg (45KB - 581 downloads) CONNECTOR ECU PINS.jpg (98KB - 607 downloads) FULL CAN DIAGRAM.jpg (63KB - 594 downloads) | ||
| |||
| stayer |
| ||
![]() Frequent flyer Gold Posts: 286 ![]() ![]() ![]() ![]() ![]() ![]() Location: Russia, Perm | Ha-ha-ha, let me know how you are thinking in Russia. I you meet the... Thanks for the scheme. | ||
| |||
| Administrator |
| ||
Frequent flyer Gold Posts: 1096 ![]() ![]() ![]() ![]() ![]() ![]() ![]() Location: An island off southern Tasmania. | Do you have everything now? It is middle of night here, wife is asleep and cold beer is in my hand.... | ||
| |||
| stayer |
| ||
![]() Frequent flyer Gold Posts: 286 ![]() ![]() ![]() ![]() ![]() ![]() Location: Russia, Perm | until enough, go to bed. | ||
| |||
| wsbtt |
| ||
Frequent flyer Gold Posts: 421 ![]() ![]() ![]() ![]() ![]() ![]() ![]() ![]() Location: Brisbane,qld | wow , this is interesting stuff, even thought i wouldnt know what the hell you guys are on about ...lol | ||
| |||
| Administrator |
| ||
Frequent flyer Gold Posts: 1096 ![]() ![]() ![]() ![]() ![]() ![]() ![]() Location: An island off southern Tasmania. | wsbtt - 3/9/2013 19:32 wow , this is interesting stuff, even thought i wouldnt know what the hell you guys are on about ...lol Stayer wanted confirmation of three pins from the OBD connector to the main plug on the ECU....K-line and can bus read/write lines I layed the whole car loom on the floor and metered it out. Behind the scenes I sent him a 380 ECU in Russia to crack it. It looks like he is succeeding. | ||
| |||
| wsbtt |
| ||
Frequent flyer Gold Posts: 421 ![]() ![]() ![]() ![]() ![]() ![]() ![]() ![]() Location: Brisbane,qld | Thats awesome , will keep my eye on this thread | ||
| |||
| stayer |
| ||
![]() Frequent flyer Gold Posts: 286 ![]() ![]() ![]() ![]() ![]() ![]() Location: Russia, Perm | Yes, I did. Now the problem is financial issues and future plans. | ||
| |||
| Jump to page : 1 2 3 4 5 Now viewing page 4 [10 messages per page] |
| Search this forum Printer friendly version E-mail a link to this thread |
| (Delete all cookies set by this site) | |

380 ECU mods by Stayer