| ||
![]() | ||
|
| You are logged in as a guest. ( logon Only if you have registered by Email as per the instructions in the forum) |
Supercharger for 4G69 MIVEC (part 2)Jump to page : 1 2 3 4 5 6 Now viewing page 1 [10 messages per page] | View previous thread :: View next thread |
| 380 Projects section -> Stayer's projects | Message format |
| stayer |
| ||
![]() Frequent flyer Gold Posts: 286 ![]() ![]() ![]() ![]() ![]() ![]() Location: Russia, Perm | Therefore, the continuation of part 1. I bought a new 9G. As you remember, at the compressor destroyed belts at full load. I decided to create a new supercharger. To do this, I turned to one-mechanical plant. I talked with the designers and engineers. And has agreed to help in the production of. First, there was developed a concept and drawings. The first option was. (0c840ee830b0.jpg) (750d5ad68cb6.jpg) (b12d3bdc71d5.jpg) Attachments ---------------- 0c840ee830b0.jpg (27KB - 720 downloads) 750d5ad68cb6.jpg (23KB - 760 downloads) b12d3bdc71d5.jpg (38KB - 735 downloads) | ||
| |||
| stayer |
| ||
![]() Frequent flyer Gold Posts: 286 ![]() ![]() ![]() ![]() ![]() ![]() Location: Russia, Perm | In the concept, I refused to belt in principle. This will gear reducer. | ||
| |||
| stayer |
| ||
![]() Frequent flyer Gold Posts: 286 ![]() ![]() ![]() ![]() ![]() ![]() Location: Russia, Perm | In the manufacturing process it became clear that the gear housing is easier to make a round. New drawings. (603a5f7438e9.jpg) (90741d49eb6c.jpg) Attachments ---------------- 603a5f7438e9.jpg (42KB - 727 downloads) 90741d49eb6c.jpg (63KB - 723 downloads) | ||
| |||
| stayer |
| ||
![]() Frequent flyer Gold Posts: 286 ![]() ![]() ![]() ![]() ![]() ![]() Location: Russia, Perm | As you can see, it has to be a two-stage gear box. For that you need two-stage gearbox? The gear transmission are changing the direction of rotation. Two-stage gear box does not change the rotation. However, the price of the production was very high. So decided to make one-stage gear box and change the rotation of the impeller and the snail. | ||
| |||
| stayer |
| ||
![]() Frequent flyer Gold Posts: 286 ![]() ![]() ![]() ![]() ![]() ![]() Location: Russia, Perm | I bought a new snail and the fan with the right rotation. (af6eb41b0a17.jpg) Attachments ---------------- af6eb41b0a17.jpg (46KB - 730 downloads) | ||
| |||
| stayer |
| ||
![]() Frequent flyer Gold Posts: 286 ![]() ![]() ![]() ![]() ![]() ![]() Location: Russia, Perm | Development of drawings and calculations took 2 months. The first thing made gears. On a sheet of written dimensions, confirmation of quality, hardness Brunel (lower picture) (46416d4ae63d.jpg) (cdebf9983d67.jpg) (4b670ff25679.jpg) Attachments ---------------- 46416d4ae63d.jpg (51KB - 731 downloads) cdebf9983d67.jpg (52KB - 736 downloads) 4b670ff25679.jpg (58KB - 784 downloads) | ||
| |||
| stayer |
| ||
![]() Frequent flyer Gold Posts: 286 ![]() ![]() ![]() ![]() ![]() ![]() Location: Russia, Perm | The next step production of shafts. There were made two shaft. High-speed and low-speed. Shafts are made of steel. -Hardened high-frequency currents. Balancing (7194300f2876.jpg) (ad55f926242a.jpg) (eacaa94352a9.jpg) Attachments ---------------- 7194300f2876.jpg (41KB - 777 downloads) ad55f926242a.jpg (27KB - 729 downloads) eacaa94352a9.jpg (39KB - 741 downloads) | ||
| |||
| stayer |
| ||
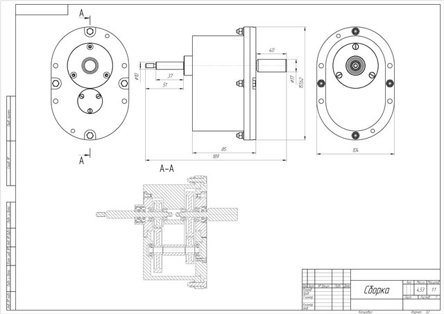
![]() Frequent flyer Gold Posts: 286 ![]() ![]() ![]() ![]() ![]() ![]() Location: Russia, Perm | This picture I made for the understanding of how it looks in assembled form. (1ba3b339a7a7.jpg) (6a7663e9701c.jpg) (75591c0a7cb4.jpg) (ea8c325cc95b.jpg) Attachments ---------------- 1ba3b339a7a7.jpg (38KB - 745 downloads) 6a7663e9701c.jpg (40KB - 749 downloads) 75591c0a7cb4.jpg (37KB - 702 downloads) ea8c325cc95b.jpg (42KB - 691 downloads) | ||
| |||
| stayer |
| ||
![]() Frequent flyer Gold Posts: 286 ![]() ![]() ![]() ![]() ![]() ![]() Location: Russia, Perm | Further made cover. For the connection of actuator and snails. (34e632378324.jpg) (523bc3dd664b.jpg) (e45b88db86de.jpg) Attachments ---------------- 34e632378324.jpg (41KB - 722 downloads) 523bc3dd664b.jpg (40KB - 747 downloads) e45b88db86de.jpg (43KB - 757 downloads) | ||
| |||
| stayer |
| ||
![]() Frequent flyer Gold Posts: 286 ![]() ![]() ![]() ![]() ![]() ![]() Location: Russia, Perm | Manufacturing of a case goes in several stages. First, divide the lathe work. (1f1c7e7ff430.jpg) (166719015d36.jpg) (f77aba8415a2.jpg) Attachments ---------------- 1f1c7e7ff430.jpg (35KB - 741 downloads) 166719015d36.jpg (34KB - 752 downloads) f77aba8415a2.jpg (42KB - 746 downloads) | ||
| |||
| Jump to page : 1 2 3 4 5 6 Now viewing page 1 [10 messages per page] |
| Search this forum Printer friendly version E-mail a link to this thread |
| (Delete all cookies set by this site) | |

Supercharger for 4G69 MIVEC (part 2)